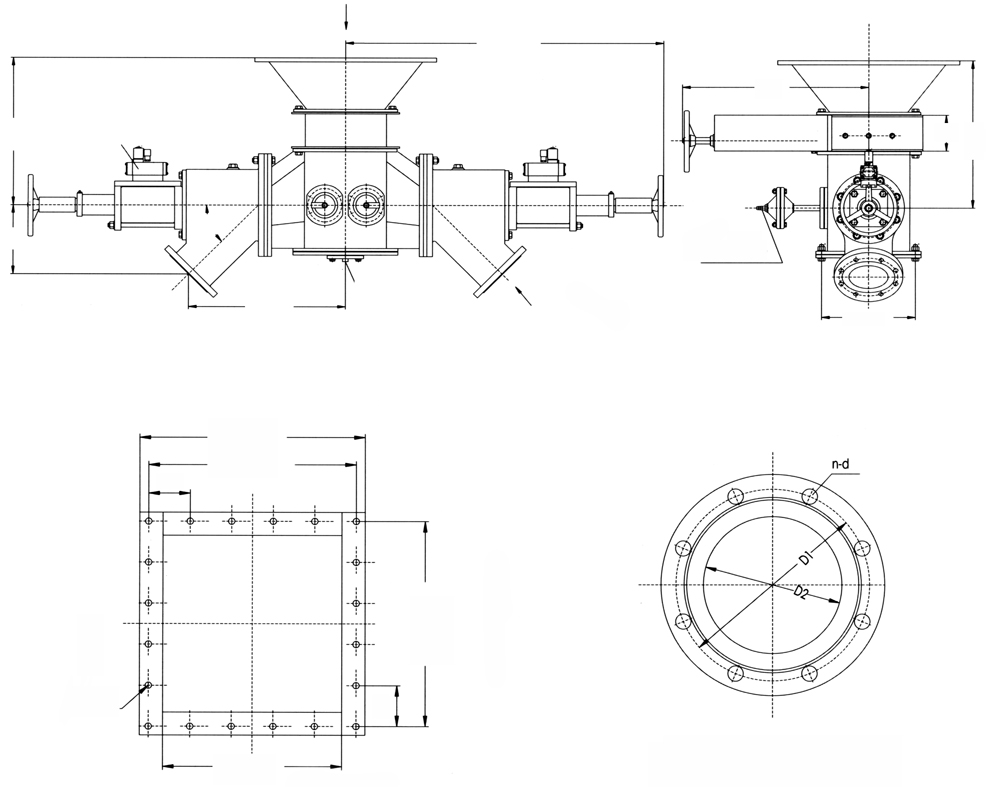
KD型雙側(cè)、單側(cè)庫底卸料器
![]() |
![]() |
外形尺寸表
| 代號(hào)/型號(hào) | A | B | B | C | D1 | E |
| KD-100 | 1030 | 539 | 190 | 190 | 170 | 510 |
| KD-150 | 1230 | 554 | 260 | 260 | 225 | 595 |
| KDS-150 | 1230 | 574 | 260 | 260 | 1960 | 450 |
KDS-150 型外形尺寸圖
下一頁:QHC氣化裝置

![]() |
![]() |
| 代號(hào)/型號(hào) | A | B | B | C | D1 | E |
| KD-100 | 1030 | 539 | 190 | 190 | 170 | 510 |
| KD-150 | 1230 | 554 | 260 | 260 | 225 | 595 |
| KDS-150 | 1230 | 574 | 260 | 260 | 1960 | 450 |
